Frame Design
The Chubber delivers a ride that’s ultra-light, rock-solid, and ready to take on any adventure. Built for the widest of tires for unbeatable stability—even fully loaded with gear—you’ll float across any terrain with confidence.


LOAD UP!
Features three water bottle cage mounts in the front triangle and rear rack mounts on the seat-stay,for all the water and cargo mounts you’ll ever need. This is your ultimate setup to backcountry adventures!
WHEEL SIZE
The Chubber frame is designed for 27.5" x 4.5“or 26” x 5” wheels. The larger diameter wheels offers reduced rolling resistance for backcountry use. Alternatively, the 26" x 5" wheels offer reduced weight and more float over soft snowy and sandy surfaces.
Head tube - Integrated Tapered 1-1/8" to 1-1/2"
Headset: - FSA NO.42, Orbit C-40-ACB 1-1/8" - 1.5"
Rear Brake - 160mm post mount, 180mm max
Seat Post Diameter - 31.6mm
Bottom Bracket - Threaded BSA, 120mm width
Cable Routing - Internal (HT-BB), External (BB-rear)
Max Tire - 27.5 x 4.5/26" x 5"
150 Front, 197 Rear O.L.D. x 12mm Thru axle

Frame color Options

Cannonball Grey

Cool Grey

Matte Puff

Black n' pink

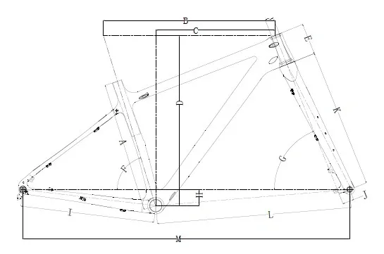
GEOMETRY

Size guide
Suggested frame sizing by rider height
Small = 5'0" - 5'6"
Medium = 5'5" - 5'10"
Large = 5'9" - 6'4"